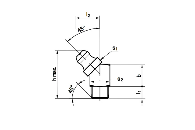
Пресс-масленка (~DIN 71412) под углом в 45° - это металлический штуцер (тавотница), смазочный ниппель, одна из деталей механизма насоса. Конструктивно состоит из корпуса, запорного элемента (шарика) и пружины, представляя собой элементарный обратный клапан.
Применение: используется для подачи смазки («тавота») в подшипник или другие шарнирные и трущиеся части машин и оборудования.
Особенности:
- Метрическая мелкая резьба и шестигранный привод обеспечивают простую установку в смазочное отверстие.
- Впускной конус расположен под углом 45°.
- В головке фитинга имеется стальной шарик и удерживающая его пружина, работающие как обратный клапан, который открывается под давлением, создаваемым шприцем, и закрывается, предотвращая вытекание масла обратно.
- Изделие изготовлено из материалов высокого качества и имеет исключительные функциональные характеристики, хорошо подходит для точек смазки, которые необходимо регулярно и надежно смазывать.
- Использование пресс-масленок для шприцевания гарантирует, что смазка труднодоступных мест будет быстрым, легким и аккуратным процессом с минимальной последующей очисткой.


















