Пресс-масленка представляет собой одну из деталей механизма насоса. Это обратный клапан, который размещен в крышке подшипника. Пресс-масленка эффективно подает смазку на узлы без необходимости снимать крышку.
Особенности
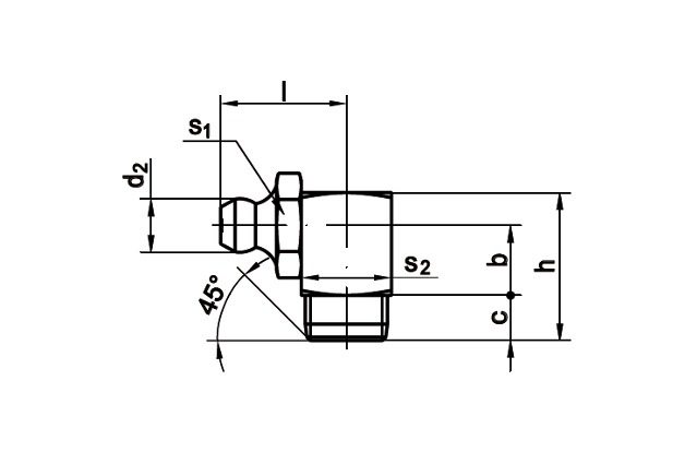
Низкая пресс-масленка с шестигранным приводом имеет угловую форму. Угол между двумя концами составляет 90 градусов. Резьба метрическая. Угловая форма масленки позволяет эксплуатировать это изделие в других специфических узлах и агрегатах.
Дополнительное название
Тавотница




