Пресс-масленка представляет собой одну из деталей механизма насоса. Это обратный клапан, который размещен в крышке подшипника. Пресс-масленка эффективно подает смазку на узлы без необходимости снимать крышку.
Особенности
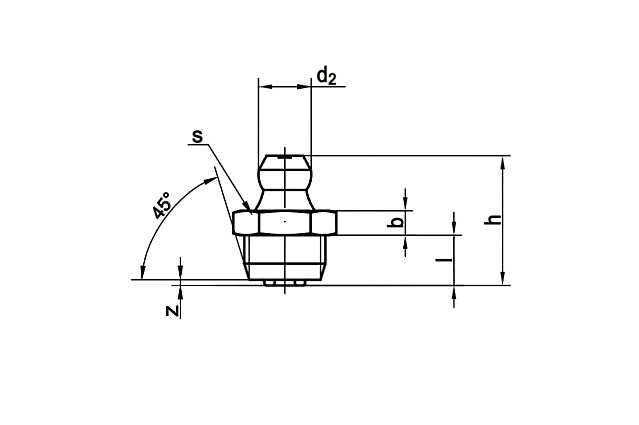
Пресс-масленка ~DIN 71412 типа А является низкой с шестигранным приводом. Изделие имеет метрическую резьбу и прямую форму, то есть угол такой пресс-масленки составляет 180 градусов между резьбовым и заправочным концом. Такой элемент применяется в основном для подачи различной густой пластичной смазки.
Существует также пресс-масленка ~DIN 71412 прямая типа A-R. Особенностью изделия является дюймовая трубная резьба G. Применение этого изделия распространяется на густые смазки.
Дополнительное название
Тавотница




