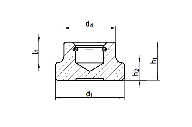
Упорная колодка DIN 6311 со стопорным кольцом предназначена для передачи усилия зажима от шпилек типа DIN 6332. Стопорное кольцо обеспечивает быстрое и надежное соединение колодки с резьбовым стержнем винта. Подставка-упор обеспечивает оптимальное распределение усилия при фиксации неровных и параллельных поверхностей, а также предотвращает передачу вращения винта непосредственно на прижимаемую деталь. Также упорная колодка DIN 6311 используется вместе с воротковым винтом DIN 6306.
- Главная страница
- Каталог
- Крепёж
- Гайки
- Упорная колодка DIN 6311
Упорная колодка DIN 6311
Тип S - со стопорным кольцом
Удобная оплата.
По счету или банковской картой
Доставка.
По всей территории Казахстана
Качество.
Входной контроль каждой партии товара
| Параметры | 12 | 16 | 20 | 25 | 32 | 40 |
| b | 0,7 | 1 | 1 | 1 | 1,2 | 1,8 |
| d4 | 10 | 12 | 15 | 18 | 22 | 28 |
| h1 | 7 | 9 | 11 | 13 | 15 | 16 |
| h2 | 2,5 | 4 | 5 | 6 | 7 | 9 |
| t1 | 4 | 5 | 6 | 7 | 7,5 | 8 |
| Стопорное кольцо (DIN 7993) | 5,1 х 0,6 х 2,5 | 7 х 0,8 х 2,5 | 8 1) | 8 1) | 12 1) | 16 1) |
| Установочный винт (DIN 6332) | М 6 | М 8 | М 10 | М 12 | М 16 | М 20 |








