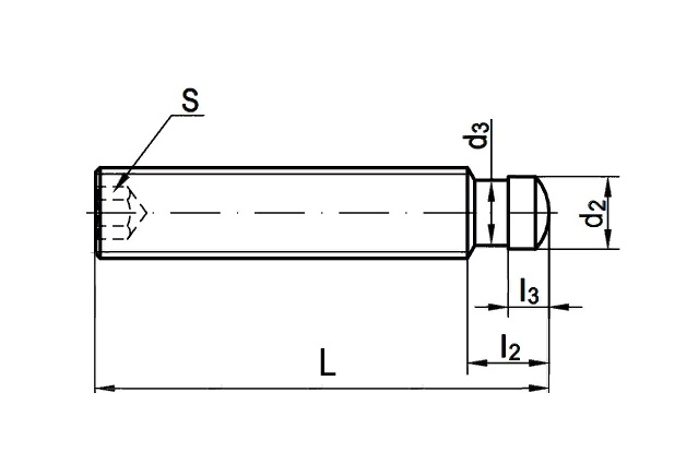
Шпилька резьбовая DIN 6332 (штифт резьбовой) представляет собой изделие с правильной метрической резьбой, упорной цапфой на одном конце и внутренним шестигранным пазом на другом (разновидность IS). Используется в машиностроении и других областях производства вместе с упорной колодкой DIN 6311.
- Главная страница
- Каталог
- Крепёж
- Болты, винты, шпильки
- Шпильки
- Шпилька резьбовая с упорной цапфой DIN 6332
Шпилька резьбовая с упорной цапфой DIN 6332
Тип IS - с внутренним шестигранным пазом
Удобная оплата.
По счету или банковской картой
Доставка.
По всей территории Казахстана
Качество.
Входной контроль каждой партии товара
| Параметры | М 6 | М 8 | М 10 | М 12 | М 16 | М 20 |
| s | 3 | 4 | 5 | 6 | 8 | 10 |
| d2 | 4,5 | 6 | 8 | 8 | 12 | 15,5 |
| d3 | 4 | 5,4 | 7,2 | 7,2 | 11 | 14,4 |
| l2 | 6 | 7,5 | 9 | 10 | 12 | 14 |
| l3 | 2,5 | 3 | 4,5 | 4,5 | 5 | 5,5 |
|
L |
30 - 50 | 35 - 70 | 45 - 80 | 50 - 100 | 65 - 125 | 80 - 150 |







