Винт-вороток зажимной с неподвижной рукояткой DIN 6304. Без упора. Используется с упорной колодкой DIN 6311.
Другие названия
Верстачный винт, зажимной винт, винт-вороток, винт Т-образный, винт Томми, Tommy screw.
Винт-вороток зажимной с неподвижной рукояткой DIN 6304. Без упора. Используется с упорной колодкой DIN 6311.
Верстачный винт, зажимной винт, винт-вороток, винт Т-образный, винт Томми, Tommy screw.
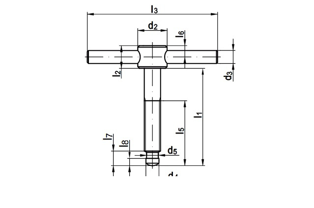
| Параметры | М 6 | М 8 | М 10 | М 12 | М 16 | М 20 |
| l1 |
40/50 |
50/60 | 60/70 | 70/80 | 75/90/100 | 75/90/100 |
| d2 | 12 | 14 | 18 | 20 | 24 | 30 |
| d3 | 5 | 6 | 8 | 10 | 12 | 16 |
| d4 | 4,5 | 6 | 8 | 8 | 12 | 15,5 |
| d5 | 4 | 5,4 | 7,2 | 7,2 | 11 | 14,4 |
|
l2 |
10 | 12 | 14 | 18 | 20 | 28 |
| l3 | 50 | 60 | 80 | 100 | 120 | 140 |
|
l5 |
30/40 | 35/45 | 40/50 | 50/60 | 55/70/90 | 55/70/90 |
| l6 | 5 | 5 | 7 | 9 | 10 | 14 |
| l7 | 6 | 7,5 | 9 | 10 | 12 | 14 |
| l8 | 2,5 | 3 | 4,5 | 4,5 | 5 | 5,5 |
