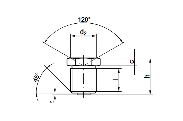
Пресс-маслёнка прямая шестигранная DIN 3405 также известна как смазочный ниппель. Главной особенностью конструкции является специальная воронка и шестигранный привод. Применяется в производственном и автомобильном оборудовании для смазывания трущихся пар консистентными смазками.
Другие названия
Тавотница, ниппель смазочный.




