Cамопроникающая (самопробивная) заклепка REX - это несъемный крепежный элемент, предназначенный для соединения двух или более кусков материала без необходимости предварительного просверливания отверстия за одну операцию.
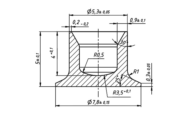
Изготовлена из стали 30 с применением термообработки для нужной твердости (заклёпка на фото).
Изготовлена из стали 30 с применением термообработки для нужной твердости (заклёпка на фото).
Материал изготовления: алюминий/сталь 30/нержавеющая сталь.
Защитное покрытие: все традиционные технологии покрытий для крепежа.
Области применения: различные отрасли промышленности - от автомобилестроения до производства металлической мебели, в которых необходимо замещение традиционных способов соединения, в первую очередь, точечной сварки.
Производство: российский завод-производитель заклепок.
Важно: мы предлагаем самопроникающую заклепку в рамках программы импортозамещения - крепеж производится в России. Это также положительно влияет на скорость и сервис наших поставок.
Особенности самопроникающих заклепок:
- высокопрочное соединение
- без предварительного сверления
- герметична для жидкости и газа
- подходит для различных типов материалов
- подходит для материалов различной толщины и прочности
- может использоваться для гибридных соединений (в сочетании с клеем)
Технология применения
За один шаг заклепка пробивает верхний(ие) слой(и) и образует в нижнем слое детали замыкающую головку.
Оборудование для установки
1. Аккумуляторный заклепочник - ручной беспроводной аккумуляторный инструмент используется в случае, когда требуется полная портативность, например в полевых условиях или для ремонта на месте.Заклепки на ленте можно вручную разместить в передней части, а с помощью простого пускового переключателя – установить заклепку.
2. Электрическая система подачи ленты - это система установки, используемая для крупносерийного производства в автоматизированной среде.
Представляет собой надежный, проверенный и выгодный метод автоматической подачи крепежных деталей.
Благодаря ленточной системе происходит наиболее быстрая подача заклепок в заклепочник: общее время цикла установки заклепки и подачи следующей заклепки может составлять всего 1,2 секунды, по сравнению с 3-4 секундами для обычных пневматических систем.
Эти системы идеально подходят для изготовления неокрашенных кузовов, а также рам для кузова, стоек, дверей и капотов, а также дополнительных компонентов, в том числе люков в крыше.
3. Гидравлическая система подачи ленты - идеальное решение для работы с приборами, дорожными знаками, стальными корпусами, ящиками для хранения алюминиевых конструкций, трубопроводами, системами хранения сельскохозяйственной техники и многими другими устройствами.
Гидравлические системы установки заклепок, используемые для малых и средних объемов производства в автоматической или полуавтоматической среде, обеспечивают такой же надежный и прочный способ соединения, как в более сложных крупногабаритных устройствах или прототипах.
Эти системы отличаются прочностью и надежностью и обеспечивают качественное соединение.
4. Пневматическая система подачи ленты - устройство, которое подходит для работы с большими объемами заклепок, когда для непрерывной подачи предпочтительна экономия. Системы с прямой и магазинной подачей предназначены для обеспечения высокой надежности с помощью встроенных интеллектуальных функций для идентификации неисправностей и самовосстановления.
Использование быстросъемных деталей сводит к минимуму время обслуживания и простоев.

Процесс выпрессовки










