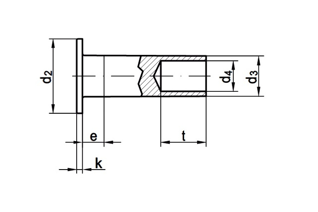
Заклепка забивная DIN 7338 предназначена для фрикционных колодок и накладок сцепления.
Форма В — полупустотелая (с просверленным стержнем).
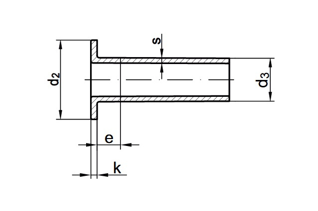
Форма С — пустотелая (для труб).
Заклепка забивная DIN 7338 предназначена для фрикционных колодок и накладок сцепления.
Форма В — полупустотелая (с просверленным стержнем).
Форма С — пустотелая (для труб).
| Размеры | M 3 | M 4 | M 5 | M 6 | M 8 |
|---|---|---|---|---|---|
| d2 | 5.5 | 7.5 | 9.5 | 11.5 | 15.5 |
| d3 min | 2.85 | 3.8 | 4.8 | 5.8 | 7.75 |
| d4 | 1.7 | 2.7 | 3.5 | 4.2 | 6 |
| emax | 1.5 | 2 | 2.5 | 3 | 4 |
| k | 0.8 | 1 | 1 | 1.2 | 1.2 |
| rmax | 0.2 | 0.3 | 0.3 | 0.4 | 0.4 |
| s | 0.5 | 0.5 | 0.6 | 0.75 | 1.2 |

