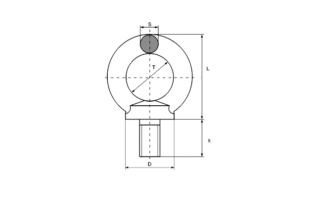
Рым-болт DIN 580 - это болт с кольцом или рым-крепеж, предназначенный для вкручивания в резьбовое отверстие груза, который нужно поднять, опустить или держать навесу.
Такелажные точки захвата имеют полную резьбу и опорную площадку для плотного прилегания к поверхности груза. В месте сочленения болтовой части и проушины выполнено утолщение для упрочнения конструкции. Кольцевая головка используется для строповки перемещаемого предмета (оборудования, металлоконструкций, двигателей, станков).
Применение: используют для подъема-спуска, крепления или перемещения оборудования, изделий, металлических конструкций и прочих грузов разной массы и габаритов. Применяют в ходе логистических операций на транспорте, сборке агрегатов и механизмов на машиностроительных предприятиях, при их обслуживании и ремонте, монтажно-строительных работ.
Особенности:
- Для изготовления рым-болтов используют высокоуглеродистую сталь с превосходной прочностью.
- Крепеж отличается долговечностью и рассчитан с пятикратным коэффициентом прочности.
- Материалом для рым-болта служит оцинкованная сталь. Деталь получают методом ковки.
Рым-болт DIN 580 (ГОСТ 4751-73) от CERTEX применяется для крепления грузов.
При подъеме груза направление подъема должно совпадать с осью болта.


Полезные материалы
Такелаж. Ассортимент и нагрузкиВиды такелажа














