Стопорная шайба Starlock с колпачком используется для фиксации деталей на гладких стержнях из стали, пластика и других материалов или самих вращающихся элементов. Является более совершенной заменой классическим стопорным кольцам.
Моментально устанавливается без дополнительных отверстий или проточек: достаточно лишь с усилием надавить на кольцо. Также стопорные кольца Starlock можно монтировать автоматизированно с помощью инструмента с магнитной головкой.
Секрет прочности сцепления состоит в том, что Starlock цепляется за естественные неровности стержня, которые не видно невооруженным глазом. При этом фиксатор прилегает настолько плотно, что снять его без деформации невозможно. Такой крепёж выдерживает нагрузки до 60 тонн.
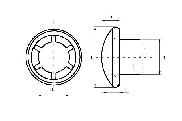
Стопорные шайбы изготавливаются из нержавеющей стали без покрытия, а также оцинкованной и лакированной пружинных сталей. Купольный колпачок используется для декорирования соединений. Он также сделан из нержавеющей стали. Колпачок скрывает торчащий конец стержня и сам фиксатор Starlock, делая вид более привлекательным. Высота купольного колпачка шайбы позволяет стержню проникать сквозь фиксатор Starlock до точки максимально надёжного зажима.
Стопорные шайбы Starlock выпускаются в Великобритании и применяются в автомобилестроении, медицине, домашнем хозяйстве, при производстве игрушек, электро- и фотооборудования, мебели и компьютеров, а также в строительстве.




