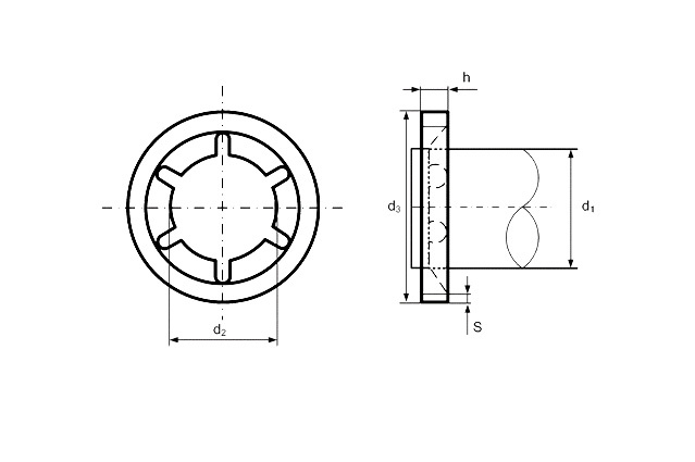
Стопорная шайба Starlock используется для фиксации деталей на гладких стержнях из стали, пластика и других материалов или самих вращающихся элементов. Является более совершенной заменой классическим стопорным кольцам.
Моментально устанавливается без дополнительных отверстий или проточек: достаточно лишь с усилием надавить на кольцо. Также стопорные кольца Starlock можно монтировать автоматизированно с помощью инструмента с магнитной головкой.
Секрет прочности сцепления состоит в том, что Starlock цепляется за естественные неровности стержня, которые не видно невооруженным глазом. При этом фиксатор прилегает настолько плотно, что снять его без деформации невозможно. Такой крепёж выдерживает нагрузки до 60 тонн.
Стопорные шайбы выпускаются в Великобритании из нержавеющей стали без покрытия, а также оцинкованной и лакированной пружинных сталей. Есть разные вариации форм и размеров таких изделий. Для декорирования соединений (торчащего стержня) используются четыре вида колпачков: купольные, осевые, высокие осевые и нейлоновые.
Преимущества
- Низкая себестоимость установки;
- Не имеют аналогов;
- Выдерживают нагрузки до 60 тонн;
- Долговечное соединение;
- Не требуют закалки;
- Могут устанавливаться автоматизировано;
- Отвечают экологическим требованиям;
- Могут заменять собой стопорные кольца шплинты и т.д.;
- Разработаны для стержней различных форм и размеров (из разных материалов и с разными покрытиями).
Сфера применения
- Автомобилестроение (автомобильные сидения, автомобильные колеса и т.д.);
- Медицина (держатель инструментов, диагностические аппараты и т.д.);
- Домашнее хозяйство (гладильные доски, дверные ручки и т.д.);
- Игрушки (куклы и другие товары для детей);
- Строительство (установка изоляции);
- Компьютеры (корпус и другие компоненты);
- Электрооборудование;
- Фотооборудование;
- Производство мебели;
- Строительство.










