Материал:
нержавеющая сталь A2
Другие названия и стандарт:
Пружинные шайбы, также называемые "Бельвиль" (тарельчатые) и предназначенные для динамичного использования, рассматриваются в стандарте NF E 25-104.
Область применения:
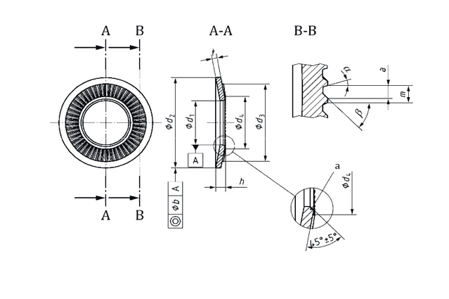
Применяется в машиностроении, обладает высокой упругостью и антивибрационной устойчивостью. Стальные конические рифленые шайбы предназначены для статичного использования в болтовых соединениях (болт класса прочности 6.8 или 8.8 и соответствующие гайки).
Эти шайбы предназначены для того, чтобы монтироваться, вогнутой частью к зажимной муфте, с креплениями класса A или B, номинальным диаметром от 3 мм до 20 мм, таких как:
• болты металлические класса прочности 6.8 или 8.8 в соответствии со стандартом NF EN ISO 898-1;
• гайки класса прочности 6 или 8 в соответствии со стандартом NF EN ISO 898-2; или другими аналогичными креплениями.
Конические рифленые шайбы предназначены для употребления:
• в неподвижном болтовом соединении;
• после распрямления при скреплении, с целью добиться оптимального распределения напряжения по скрепляемым деталям;
• в деталях, содержащих увеличенные пазы или вытянутые прорези;
• для создания легкого сопротивления вращению в креплении с болтовой нарезкой в направлении ослабления болтов за счет наличия борозд, при условии, что жесткость крепления ниже жесткости шайбы настолько, что после затягивания возникает эффект анкеровки.
нержавеющая сталь A2
Другие названия и стандарт:
Пружинные шайбы, также называемые "Бельвиль" (тарельчатые) и предназначенные для динамичного использования, рассматриваются в стандарте NF E 25-104.
Область применения:
Применяется в машиностроении, обладает высокой упругостью и антивибрационной устойчивостью. Стальные конические рифленые шайбы предназначены для статичного использования в болтовых соединениях (болт класса прочности 6.8 или 8.8 и соответствующие гайки).
Эти шайбы предназначены для того, чтобы монтироваться, вогнутой частью к зажимной муфте, с креплениями класса A или B, номинальным диаметром от 3 мм до 20 мм, таких как:
• болты металлические класса прочности 6.8 или 8.8 в соответствии со стандартом NF EN ISO 898-1;
• гайки класса прочности 6 или 8 в соответствии со стандартом NF EN ISO 898-2; или другими аналогичными креплениями.
Конические рифленые шайбы предназначены для употребления:
• в неподвижном болтовом соединении;
• после распрямления при скреплении, с целью добиться оптимального распределения напряжения по скрепляемым деталям;
• в деталях, содержащих увеличенные пазы или вытянутые прорези;
• для создания легкого сопротивления вращению в креплении с болтовой нарезкой в направлении ослабления болтов за счет наличия борозд, при условии, что жесткость крепления ниже жесткости шайбы настолько, что после затягивания возникает эффект анкеровки.
ВНИМАНИЕ: Это легкое сопротивление существует только если детали вступают в контакт сКак и плоские шайбы, они также позволяют защитить поверхность деталей в процессе завинчивания.
остаточным напряжением в винте. Сопротивление отвинчиванию несопоставимо сопротивлению
других креплений, таких как самоконтрящиеся гайки.



