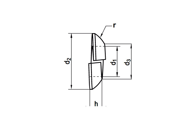
Шайбу пружинную сферическую DIN 74361 (форма C) также называют центрирующей шайбой для болтов или пружинным кольцом.
- Главная страница
- Каталог
- Крепёж
- Шайбы, кольца
- Шайбы
- Шайба пружинная сферическая DIN 74361
Шайба пружинная сферическая DIN 74361
форма C
Удобная оплата.
По счету или банковской картой
Доставка.
По всей территории Казахстана
Качество.
Входной контроль каждой партии товара
| Параметры | 12.5 | 14.5 | 16.5 | 18.5 | 20.5 | 22.5 |
| d2 | 23 | 26 | 26.5 | 29 | 34 | 34 |
| d3 | 14.5 | 17 | 18 | 20 | 24 | 24 |
| h | 5 | 6 | 6.5 | 7 | 8 | 8 |
| r | 12 | 14 | 15 | 16 | 18 | 18 |






