Есть аналогичная по размеру форма G, отличается только твердостью.
Тип D: цементированная сталь (глубина цементации 0,2 - 0,4 мм), твердость по Виккерсу (550 + 100) HV 10.
Тип G: закаленная и отпущенная сталь, твердость по Виккерсу (350 + 80) HV 30.
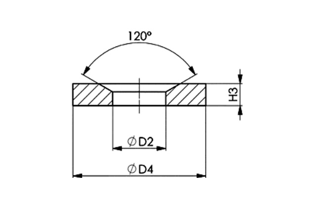
Шайбы сферические и конические по DIN6319 с выгнутой и вогнутой поверхностью чаще всего применяются в станочных приспособлениях, для скрепления деталей на не параллельных плоскостях.




