
|
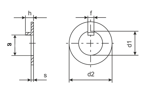
Внутренний диаметр, d1 |
Внешний диаметр, d2 |
Толщина, s |
Высота, h макс. |
f |
g |
|
8 |
20 |
0,8 |
2,5 |
3 |
5,9 |
|
10 |
25 |
0,8 |
3 |
4 |
7,4 |
|
12 |
28 |
0,8 |
3 |
5 |
9,3 |
|
14 |
30 |
0,8 |
3 |
5 |
11,4 |
|
16 |
32 |
1 |
3 |
5 |
13,5 |
|
18 |
34 |
1 |
4 |
6 |
15,4 |
|
20 |
36 |
1 |
4 |
6 |
17,5 |
|
22 |
40 |
1 |
4 |
6 |
19,5 |
|
24 |
42 |
1 |
4 |
6 |
21,6 |
|
26 |
45 |
1 |
5 |
7 |
23,5 |
|
28 |
50 |
1 |
5 |
7 |
25,5 |
|
30 |
50 |
1,2 |
5 |
7 |
27,5 |
|
32 |
52 |
1,2 |
5 |
7 |
29,6 |
|
35 |
55 |
1,2 |
5 |
7 |
32,6 |
|
38 |
58 |
1,2 |
5 |
8 |
35,3 |
|
40 |
62 |
1,2 |
5 |
8 |
37,3 |
|
42 |
62 |
1,2 |
5 |
8 |
39,3 |
|
45 |
68 |
1,2 |
5 |
8 |
42,4 |
|
48 |
75 |
1,2 |
5 |
8 |
45,4 |
|
50 |
75 |
1,2 |
5 |
8 |
47,4 |
|
52 |
80 |
1,2 |
6 |
10 |
49,3 |
|
55 |
80 |
1,2 |
6 |
10 |
52,9 |
|
58 |
90 |
1,5 |
6 |
10 |
55,3 |
|
60 |
90 |
1,5 |
6 |
10 |
57,3 |
|
62 |
95 |
1,5 |
6 |
10 |
59,3 |
|
65 |
95 |
1,5 |
6 |
10 |
62,4 |
|
68 |
100 |
1,5 |
6 |
10 |
65,4 |
|
70 |
100 |
1,5 |
6 |
10 |
67,4 |
|
72 |
110 |
1,5 |
7 |
10 |
68,9 |
|
75 |
110 |
1,5 |
7 |
10 |
71,9 |
|
80 |
115 |
1,5 |
7 |
10 |
76,9 |
|
85 |
120 |
1,5 |
7 |
10 |
81,9 |
|
90 |
130 |
1,5 |
7 |
10 |
86,9 |
|
95 |
135 |
1,5 |
8 |
12 |
91,8 |
|
100 |
145 |
1,5 |
8 |
12 |
96,9 |
|
105 |
155 |
1,5 |
- |
12 |
102 |