- Главная страница
- Каталог
- Крепёж
- Шайбы, кольца
- Шайбы
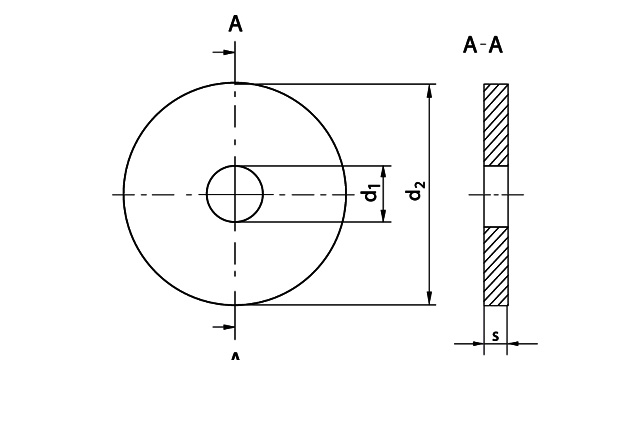
- Шайба увеличенная DIN 1052
Шайба увеличенная DIN 1052
для деревянных конструкций
Удобная оплата.
По счету или банковской картой
Доставка.
По всей территории Казахстана
Качество.
Входной контроль каждой партии товара
|
Размеры |
м12 |
м16 |
м20 |
м22 |
м24 |
|
d1 |
14 |
18 |
23 |
25 |
27 |
|
d2 |
58 |
68 |
80 |
92 |
105 |
|
s |
6 |
6 |
8 |
8 |
8 |

|
Внешний диаметр |
Внутренний диаметр |
||||
|
14 |
18 |
23 |
25 |
27 |
|
|
58 |
+ |
||||
|
68 |
+ |
||||
|
80 |
+ |
||||
|
92 |
+ |
||||
|
105 |
+ |
||||



