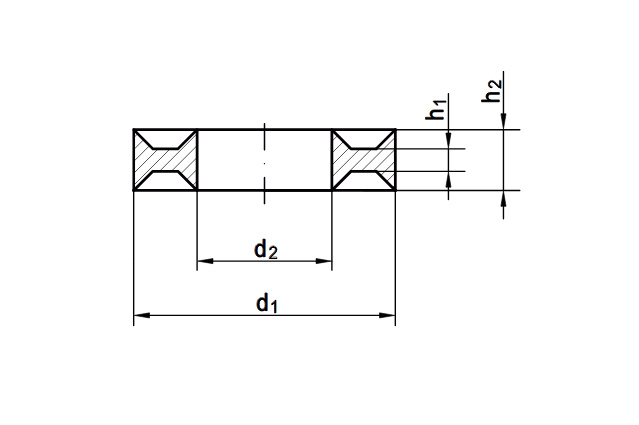
Шайба (уплотнительное кольцо) art. 88494 сделана из полиамида и предназначена для фиксации и герметизации соединений шестигранных болтов и гаек. Пластиковая шайба слегка расплющивается, заполняя собой свободное пространство соединения, защищая его от вибрационных нагрузок и отвинчивания изделий. Препятствует электролитической коррозии между двумя различными металлическими поверхностями. Пластиковые шайбы химически устойчивы к щелочам, разбавленным кислотам, соляным растворам, жирам, бензину, спирту, ацетону, морской воде и т.д.

До затяжки После затяжки До затяжки После затяжки





