- Главная страница
- Каталог
- Крепёж
- Шайбы, кольца
- Кольца
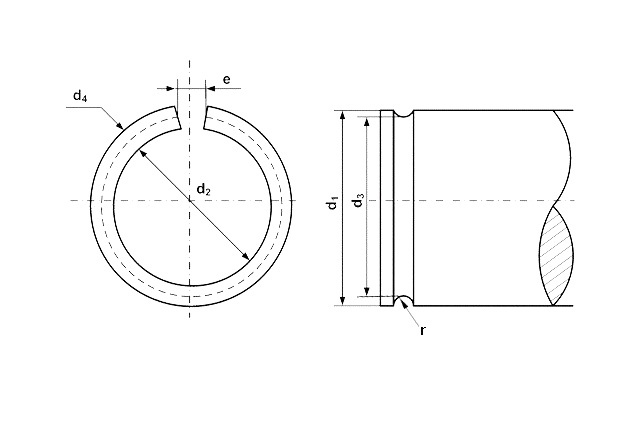
- Кольцо стопорное DIN 7993 A / 9925 наружное
Кольцо стопорное DIN 7993A
|
размеры |
4 |
5 |
6 |
7 |
8 |
10 |
12 |
16 |
18 |
20 |
22 |
25 |
26 |
|
Внутрений диаметр кольца, d2 |
3,1 |
4,1 |
5,1 |
6,1 |
7,1 |
9,1 |
10,8 |
14,2 |
16,2 |
17,7 |
19,7 |
22,7 |
23,7 |
|
Толщина кольца , d4 |
0,8 |
0,8 |
0,8 |
0,8 |
0,8 |
0,8 |
1 |
1,6 |
1,6 |
2 |
2 |
2 |
2 |
|
Ширина разъема, e |
1 |
1 |
1 |
2 |
2 |
2 |
3 |
3 |
3 |
3 |
3 |
3 |
3 |
|
Диаметр вала, d1 |
4 |
5 |
6 |
7 |
8 |
10 |
12 |
16 |
18 |
20 |
22 |
25 |
26 |
|
Диаметр вала под кольцо, d3 |
3,2 |
4,2 |
5,2 |
6,2 |
7,2 |
9,2 |
11 |
14,4 |
16,4 |
18 |
20 |
23 |
24 |
|
r |
0,5 |
0,5 |
0,5 |
0,5 |
0,5 |
0,5 |
0,6 |
0,9 |
0,9 |
1,1 |
1,1 |
1,1 |
1,1 |
|
размеры |
28 |
30 |
35 |
38 |
40 |
45 |
48 |
50 |
55 |
60 |
65 |
70 |
|
Внутрений диаметр кольца, d2 |
25,7 |
27,7 |
32,1 |
35,1 |
37,1 |
42 |
45 |
47 |
51,1 |
56,1 |
61,1 |
66 |
|
Толщина кольца , d4 |
2 |
2 |
2,5 |
2,5 |
2,5 |
2,5 |
2,5 |
2,5 |
3,2 |
3,2 |
3,2 |
3,2 |
|
Ширина разъема, e |
3 |
3 |
4 |
4 |
4 |
4 |
4 |
4 |
4 |
4 |
4 |
5 |
|
Диаметр вала, d1 |
28 |
30 |
35 |
38 |
40 |
45 |
48 |
50 |
55 |
60 |
65 |
70 |
|
Диаметр вала под кольцо, d3 |
26 |
28 |
32,5 |
35,5 |
37,5 |
42,5 |
45,5 |
47,5 |
51,8 |
56,8 |
61,8 |
66,8 |
|
r |
1,1 |
1,1 |
1,4 |
1,4 |
1,4 |
1,4 |
1,4 |
1,4 |
1,8 |
1,8 |
1,8 |
1,8 |




