Cаморез по металлу тупоконечный ISO 14586 F - крепежное изделие, имеющее потайную головку, стержень с тупым концом (форма F) и полную самонарезающую острую резьбу.
Потайная головка, под которую зенкуют отверстие, обеспечивает аккуратный вид крепления и гладкую поверхность. Тупой саморез изготовлен из оцинкованной стали, поэтому более устойчив к воздействию окружающей среды, чем черный.
Применение: для крепления тонколистового металла, тонкого металлопрофиля, твердых пластмасс, оргалита к металлическим и деревянным несущим конструкциям. Саморезы данного типа нашли свое применение во многих областях, таких как строительство, отделочные работы и мебельное производство.
Особенности:
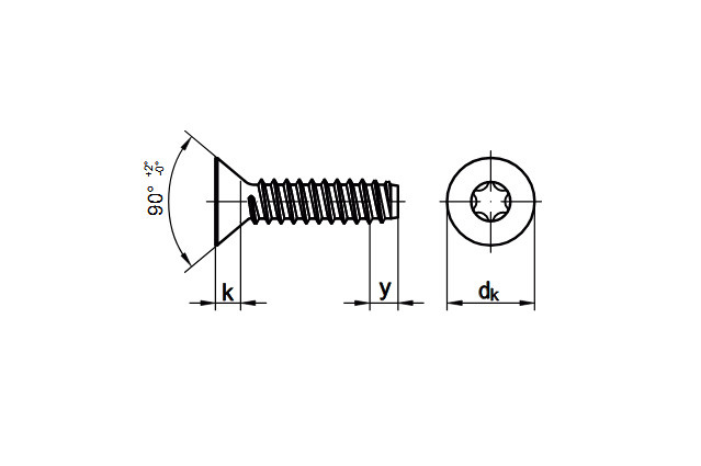
- Потайная головка с углом скоса 90° для установки вровень с поверхностью.
- Специальный частый шаг витков обеспечивает легкое вкручивание в металлические детали.
- При установке нарезает винтовую канавку, обеспечивая плотную и надежную посадку.
- Формируемое соединение не разбалтывается со временем, сохраняя прочность всей конструкции.
- Требует предварительной подготовки отверстия в скрепляемых компонентах.
- Установочный инструмент должен быть с контролем частоты вращения и момента затяжки.
- Звездообразный Torx, в отличие от крестовых шлицев, обеспечивает лучшую передачу вращающего усилия при помощи биты звездочки TX.
Полезные материалы
Саморезы по металлу: разновидности и применение.
Вы можете заказать покраску данного изделия в Промышленном крепеже
Подробнее об услуге покраски
















