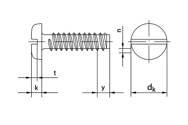
Саморез DIN 7971 F - крепежное изделие, состоящее из стержня с полной резьбой с тупым концом и скругленной головкой.
Применение: предназначен для скрепления деревянных объектов, тонколистового металла, а так же различных типов пластмасс, находит свое применение в промышленности и строительстве, а так же в мебельном производстве.
Саморез выпускается только с прямым шлицем.
Особенности:
Применение: предназначен для скрепления деревянных объектов, тонколистового металла, а так же различных типов пластмасс, находит свое применение в промышленности и строительстве, а так же в мебельном производстве.
Саморез выпускается только с прямым шлицем.
Особенности:
- Для монтажа самореза необходимо предварительно просверливать отверстие.
- Рассчитан на небольшие нагрузки и воздействия вибраций в ходе эксплуатации.
- Для монтажа саморезов используют шуруповерты с соответствующими битами-насадками.
Полезные материалы
Саморезы и шурупы: отличия, типы головок, типы шлицев, размеры, типы резьбы, типы концов.
Вы можете заказать покраску данного изделия в Промышленном крепеже
Подробнее об услуге покраски













