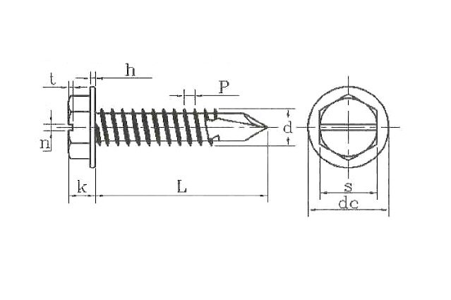
Саморез DIN 7504 L - крепежное изделие, которое имеет частую резьбу по всему стержню, шестигранную головку, прессшайбу и прямой шлиц.
Применение: имеет широкую область применения и используется в различных сферах деятельности. Подходит для соединения металлических элементов без их предварительной подготовки. Популярно использование саморезов DIN 7504 L в сфере строительства - при проведении кровельных и облицовочных работ.
Особенности:
- Обеспечивает прочную и надежную фиксацию детали с опорным основанием.
- Головка с прессшайбой плотно прилегает к поверхности, надёжно прижимая материал.
- Заострение крепежа в форме сверла упрощает и ускоряет процесс его установки.
- За счёт бура на конце установка элемента происходит в момент монтажа, нет необходимости в подготовке отверстия.
- Монтаж осуществляется при помощи шуруповертов со специальной насадкой или гайковертом.
- Для герметизации соединения можно использовать EPDM-шайбы, которые предотвращают попадание влаги в отверстие и деформацию металла.
Варианты исполнения:
- Саморез DIN 7504 R - c полупотайной головкой
- Саморез DIN 7504 K - с шестигранной головкой с буртиком
- Саморез DIN 7504 М (ранее N) - с полукруглой головкой
- Саморез DIN 7504 О (ранее Р) - с потайной головкой
Полезные материалы
Саморезы по металлу: разновидности и применение.Виды саморезов по металлу и их использование. ТОП-материал от ЦКИ.
Вы можете заказать покраску данного изделия в Промышленном крепеже
Подробнее об услуге покраски


























