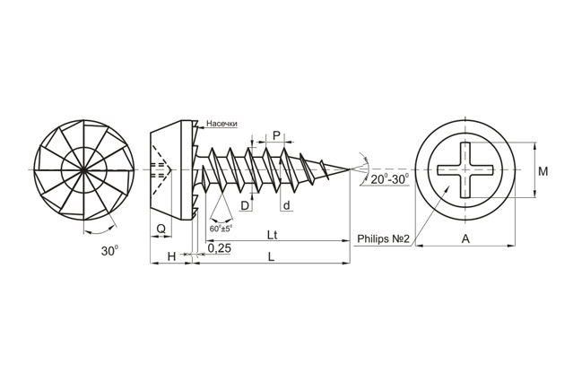
Cаморез для металлических профилей остроконечный - крепежное изделие, состоящее из стержня с двухзаходной самонарезающей резьбой, головки полуцилиндрической формы (усечённый конус) с насечками, острого конца.
Применение: используется для соединения тонких металлических профилей при сборке каркаса под гипсокартон и пластиковые панели. Может применяться для монтажа листового металла, пластика, оргалита на основания из древесины, твердых пластмасс.
Особенности:
- Головка имеет широкое основание для плотного прижатия.
- Стопорные зубчатые насечки на широкой опорной поверхности шляпки препятствуют самоотвинчиванию.
- Мелкая резьба для легкого врезания и жесткой посадки.
- Легко пробивает и вкручивается в стальные листы и профили толщиной до 0,9 мм. Если толщина превышает 1 мм, рекомендуется предварительно просверлить отверстие сверлом диаметром около 2,5 мм.
- Изделие изготовлено из низкоуглеродистой стали и упрочнено термической закалкой.
- В результате специального обработки (фосфатирования) на его поверхности образована защитная фосфатная пленка, предотвращающая коррозию.
- Подходит для сухих помещений, скрытых мест крепления, а также тех, которые планируется окрашивать или облицовывать.
Полезные материалы
Саморез и шурупы: основные разновидности.Саморезы по металлу: разновидности и применение.
Вы можете заказать покраску данного изделия в Промышленном крепеже
Подробнее об услуге покраски























