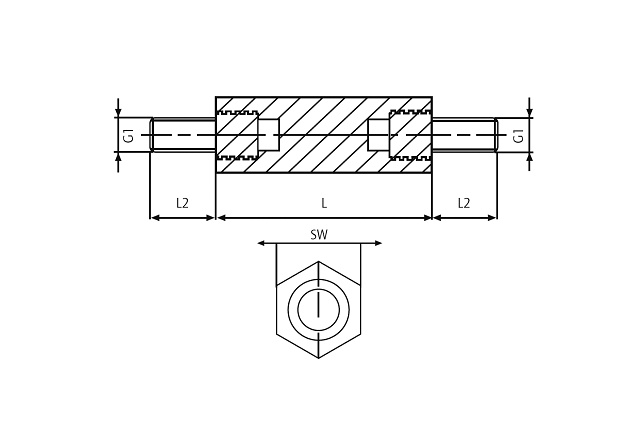
В приборостроении, в частности при изготовлении серверных шкафов, применяются установочные стойки с наружной резьбой. Конфигурация креплений «папа-папа» отличается наличием только внешних резьбовых соединений на обоих концах стойки. В результате такая модель часто используется для монтажа не самих плат, а отдельных деталей на одном уровне. После установки стойки на оставшийся снаружи конец можно закрепить элемент на определенном расстоянии от поверхности. Оба винтовых соединения имеют резьбу со стандартным метрическим шагом, поэтому для фиксации деталей применяются обычные гайки.
- Главная страница
- Каталог
- Крепёж
- Стойки для печатных плат
- Стойка шестигранная
Стойка для печатных плат шестигранная наруж/наруж
наружная / наружная
Удобная оплата.
По счету или банковской картой
Доставка.
По всей территории Казахстана
Качество.
Входной контроль каждой партии товара
| G1, диаметр внешней резьбы | M2.5 | M3 | M4 | M5 |
| L2, длина внешней резьбы | 6 мм | 8 мм | 10 мм | |
| L, длина, мм | 17 | 20 | 25 | 30 | 35 | 40 | 45 | 50 | 55 | 60 | 65 | 70 | |
| SW, размер под ключ | M2.5х6 | х | х | х | х | х | х | х | х | х | х | ||
| M3х6 | х | х | х | х | х | х | х | х | |||||
| M4х8 | х | х | х | х | х | х | х | х | х | х | х | ||
| M5х10 | х | х | х | х | х | х | х | х | х | х | х | ||






