|
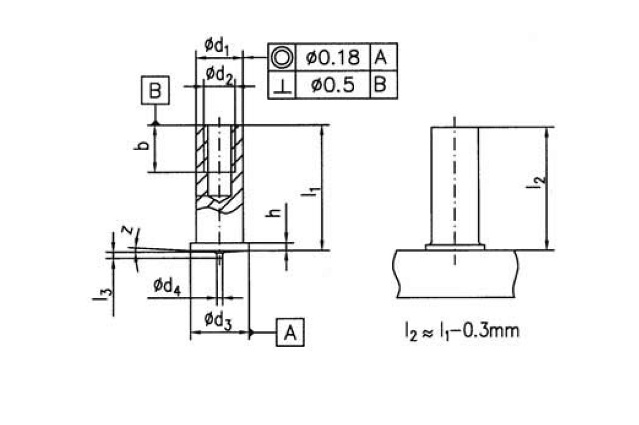
d1 ± 0,1 |
d2 |
I1 + 0,6 |
b + 0,5 |
d3 ± 0,2 |
d4 ± 0,08 |
I3 ± 0,05 |
h |
I2 |
z ± 1º |
|
Диам. 5 |
М3 |
6-30 |
5 |
6,5 |
0,75 |
0,8 |
0,7—1,4 |
= I1 – 0,3 |
3º |
|
Диам. 6 |
М3 |
8-30 |
6 |
7,5 |
0,8 |
||||
|
Диам. 6 |
М4 |
8-30 |
6 |
7,5 |
0,8 |
||||
|
Диам. 7,1 |
М5 |
10-30 |
7,5 |
9 |
0,85 |
0,6—1,4 | |||
| Диам. 8 | М6 | 10-40 | 7,5 | 9 | 0,85 | 0,6—1,4 | |||
| Диам. 10,8 | М8 | 15-40 | 10 | 11,6 ±0,1 | 0,85 | 0,6—1,8 |
