- Главная страница
- Каталог
- Крепёж
- Запреcсовочный и приварной крепеж
- Шпилька омедненная (Cu)
Шпилька приварная омедненная (Cu)
приварная
Удобная оплата.
По счету или банковской картой
Доставка.
По всей территории Казахстана
Качество.
Входной контроль каждой партии товара
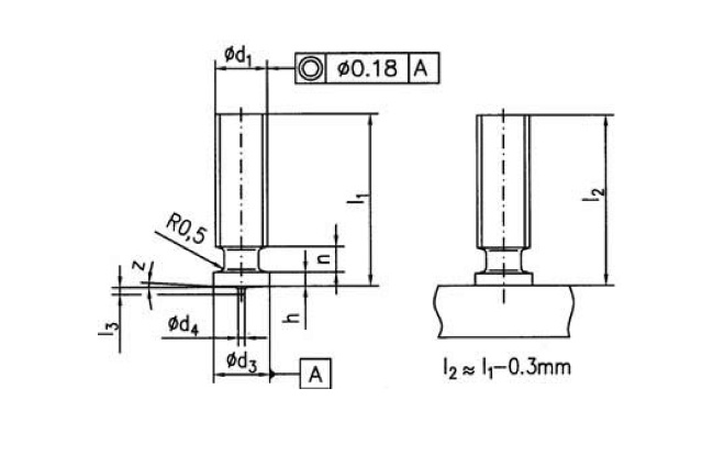
|
d1 |
I1 + 0,6 |
d3 ± 0,2 |
d4 ± 0,08 |
I3 + 0,05 |
h |
n. макс. |
I2 |
z ± 1 |
|
М3 |
6...30 |
4,5 |
0,6 |
0,55 |
0,7 -1,4 |
1,5 |
=I1 -0,3 |
3º |
|
М4 |
6...40 |
5,5 |
0,65 |
0,55 |
1,5 |
|||
|
М5 |
6...45 |
6,5 |
0,75 |
0,8 |
0,8 -1,4 |
2 |
||
|
М6 |
8...55 |
7,5 |
0,75 |
0,8 |
2 |
|||
|
М8 |
10...50 |
9 |
0,75 |
0,85 |
3 |
|||
|
М10 |
20...50 |
10,7 |
0,75 |
0,75 |
1,2-1,8 |
3 |






