Специальная форма кончика служит для фиксации изделий, относительно друг друга.
Применяется в машиностроении, приборостроении и других областях промышленности.
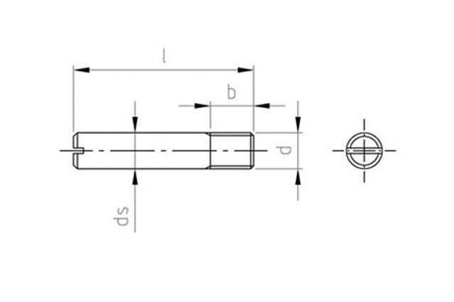
Специальная форма кончика служит для фиксации изделий, относительно друг друга.
Применяется в машиностроении, приборостроении и других областях промышленности.
|
м3 |
м4 |
м5 |
м6 |
м8 |
м10 |
м12 |
м16 |
м20 |
|
|
ds |
3 |
4 |
5 |
6 |
8 |
10 |
12 |
16 |
20 |
|
b |
3,6 |
4,8 |
6 |
7,2 |
9,6 |
12 |
14 |
18 |
22 |
|
n |
0,4 |
0,6 |
0,8 |
1 |
1,2 |
1,6 |
2 |
2,5 |
3 |
|
t |
0,8 |
1,12 |
1,28 |
1,6 |
2 |
2,4 |
2,8 |
3,2 |
4 |

|
Резьба |
|||||||||
|
Длина |
м3 |
м4 |
м5 |
м6 |
м8 |
м10 |
м12 |
м16 |
м20 |
|
6 |
+ |
||||||||
|
8 |
+ |
+ |
+ |
||||||
|
10 |
+ |
+ |
+ |
||||||
|
12 |
+ |
+ |
+ |
+ |
|||||
|
16 |
+ |
+ |
+ |
+ |
+ |
||||
|
18 |
+ |
+ |
+ |
+ |
+ |
||||
|
20 |
+ |
+ |
+ |
+ |
+ |
+ |
+ |
||
|
22 |
+ |
+ |
+ |
+ |
|||||
|
25 |
+ |
+ |
+ |
+ |
+ |
+ |
+ |
||
|
30 |
+ |
+ |
+ |
+ |
+ |
+ |
+ |
+ |
|
|
35 |
+ |
+ |
+ |
+ |
+ |
+ |
+ |
||
|
40 |
+ |
+ |
+ |
+ |
+ |
+ |
+ |
+ |
|
|
45 |
+ |
+ |
+ |
+ |
+ |
||||
|
50 |
+ |
+ |
+ |
+ |
+ |
||||
|
55 |
+ |
+ |
+ |
+ |
|||||
|
60 |
+ |
+ |
+ |
+ |
|||||