- Главная страница
- Каталог
- Крепёж
- Гайки
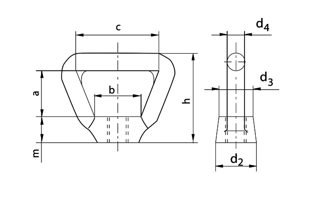
- Гайка DIN 80704 швартовная
Гайка DIN 80704 швартовная
рым-гайка
Удобная оплата.
По счету или банковской картой
Доставка.
По всей территории Казахстана
Качество.
Входной контроль каждой партии товара
|
Размеры |
м6 |
м8 |
м10 |
м12 |
м16 |
м20 |
м24 |
|
a |
15 |
20 |
25 |
27 |
29 |
32 |
36 |
|
b |
14 |
18 |
23 |
27 |
32 |
36 |
45 |
|
c |
25 |
32 |
42 |
48 |
56 |
64 |
75 |
|
d2 |
14 |
18 |
23 |
24 |
30 |
36 |
45 |
|
d3 |
11,5 |
15 |
18 |
20 |
24 |
28 |
36 |
|
d4 |
5 |
6,5 |
8 |
10 |
12 |
13 |
14 |
|
h |
28 |
36 |
50 |
52 |
59 |
66 |
75 |
|
m |
8 |
10 |
12 |
15 |
18 |
21 |
25 |




