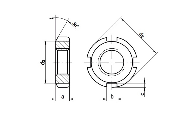
Гайка круглая с прорезями DIN 70852. Применяется в креплении подшипников и разных других узлов, валов вращения. Используется со стопорной многолапчатой шайбой DIN 70952.
Применение
Для монтажа гайки DIN 70852 и придания ей оптимального натяга в резьбе необходимо использовать полукруглый ключ, который специально предназначен для подобных работ. Благодаря ему, затянутая гайка эффективно стопорится в финальном положении. Для усиления надежности крепления допускается применение дополнительной многолапчатой стопорной шайбы. В ее роли может выступать стопорная шайба DIN 5406 или DIN 70952.









