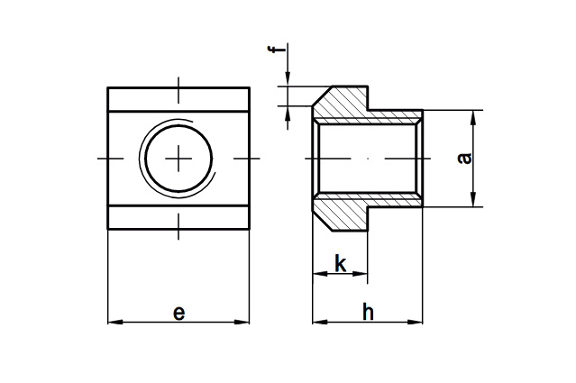
Гайка для Т-образных пазов DIN 508 (пазовый сухарь) - это крепежное изделие, которое представляет собой прямоугольник с Т-образным профилем сечения и сквозным резьбовым отверстием, расположенным в центре.
Применение: используется для соединений деталей и агрегатов в производственных станках, приборах. Применяется в сочетании с высокопрочными шпильками, болтами или специальными шпильками (DIN 6379), а также с закаленными шайбами для жесткого крепления зажимов, заготовок, тисков на основании.
Особенности:
- Метрическая резьба с крупным шагом.
- Для упрощения установки в пазу с опорной стороны головки сняты две направляющие фаски.
- Гайка DIN 508 выдерживает множество циклов сборки-разборки, поэтому выпускается классами прочности 8 или 10. Стандартом также предусмотрено изготовление из стали класса 1.4305 – ориентировочный аналог 12Х18Н10Е или из алюминия.
- Диаметр резьбы отверстия – от М5 до М48. Широкий диапазон упрощает выбор крепежа для решения конкретной задачи.
- Общая высота изделия может составлять от 8 до 70 мм.
- Высота головки гайки – от 4 до 34 мм.










