- Главная страница
- Каталог
- Крепёж
- Гайки
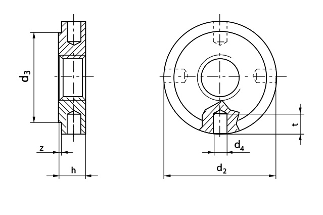
- Гайка DIN 1816
Гайка DIN 1816
|
Размеры |
м10*1 |
м12*1,5 |
м14*1,5 |
м16*1,5 |
м18*1,5 |
м20*1,5 |
м22*1,5 |
м24*1,5 |
м26*1,5 |
|
d2 |
25 |
28 |
30 |
32 |
34 |
36 |
40 |
42 |
45 |
|
d3 |
20 |
23 |
25 |
27 |
28 |
30 |
34 |
36 |
38 |
|
d4 |
3 |
3 |
4 |
4 |
4 |
4 |
4 |
4 |
5 |
|
h |
6 |
6 |
7 |
7 |
8 |
8 |
9 |
9 |
10 |
|
t |
4,5 |
5 |
5 |
6 |
6 |
6 |
6 |
6 |
6 |
|
z |
0,5 |
0,5 |
0,5 |
0,5 |
0,5 |
0,5 |
0,5 |
0,5 |
0,5 |
|
Размеры |
м28*1,5 |
м30*1,5 |
м32*1,5 |
м35*1,5 |
м38*1,5 |
м40*1,5 |
м42*1,5 |
м45*1,5 |
м48*1,5 |
|
d2 |
50 |
50 |
52 |
55 |
58 |
62 |
62 |
68 |
75 |
|
d3 |
43 |
43 |
45 |
48 |
50 |
54 |
54 |
60 |
67 |
|
d4 |
5 |
5 |
5 |
5 |
5 |
6 |
6 |
6 |
6 |
|
h |
10 |
10 |
11 |
11 |
11 |
12 |
12 |
12 |
13 |
|
t |
7 |
7 |
7 |
7 |
8 |
8 |
8 |
8 |
10 |
|
z |
0,5 |
0,5 |
0,5 |
0,5 |
0,5 |
0,5 |
0,5 |
0,5 |
0,5 |
|
Размеры |
м50*1,5 |
м52*1,5 |
м55*1,5 |
м58*1,5 |
м60*1,5 |
м62*1,5 |
м65*1,5 |
м68*1,5 |
м70*1,5 |
|
d2 |
75 |
80 |
80 |
90 |
90 |
95 |
95 |
100 |
100 |
|
d3 |
67 |
70 |
70 |
80 |
80 |
85 |
85 |
90 |
90 |
|
d4 |
6 |
6 |
6 |
6 |
6 |
8 |
8 |
8 |
8 |
|
h |
13 |
13 |
13 |
13 |
13 |
14 |
14 |
14 |
14 |
|
t |
10 |
10 |
10 |
10 |
10 |
12 |
12 |
12 |
12 |
|
z |
0,5 |
0,5 |
0,5 |
0,5 |
0,5 |
0,5 |
0,5 |
0,5 |
0,5 |
|
Размеры |
м72*1,5 |
м75*2 |
м80*2 |
м85*2 |
м90*2 |
м95*2 |
м100*2 |
|
d2 |
110 |
110 |
115 |
120 |
130 |
135 |
145 |
|
d3 |
100 |
100 |
105 |
110 |
120 |
120 |
130 |
|
d4 |
8 |
8 |
8 |
8 |
8 |
8 |
8 |
|
h |
14 |
14 |
16 |
16 |
16 |
16 |
16 |
|
t |
12 |
12 |
12 |
12 |
12 |
12 |
12 |
|
z |
0,5 |
0,5 |
1 |
1 |
1 |
1 |
1 |




