+7(708) 710-04-06

Разрывная гайка

Удобная оплата. По счету или банковской картой
Доставка. По всей территории Казахстана
Качество. Входной контроль каждой партии товара
Фильтры

Описание:

Гайка антивандальная art. 9150

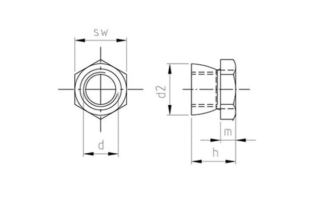
Разрывная или отрывная гайка, известная также как антивандальная, состоит из двух сочлененных частей – шестигранной части, защищающей от кражи и гладкой нижней части, которая остается в затяжке на самом винте. Эти детали имеют высокую надежность, долговечность и прочность. Основной функцией данного изделия является защита от кражи и срыва, поэтому антивандальные гайки широко используются в общественных местах. Изготавливаются из нержавеющей углеродистой стали А2.

Установка:
Гайку нужно повернуть таким образом, чтобы гладкая нижняя часть накручивалась на болт. Закрутите гайку до упора, а затем дерните по часовой стрелке разводным ключом, и шестигранный элемент оторвется от «защитного корпуса» этой детали.


Характеристики:

Антивандальная гайка – это крепёжная деталь с нарезанной внутренней резьбой. Состоит из двух сочленённых частей: шестигранной, которая нужна для того, чтобы затянуть гайку целиком, и гладкой нижней, которая и остаётся после затяжки на месте монтажа.

Антивандальные гайки изготавливаются из нержавеющей стали, а не из углеродистой с оцинкованным покрытием, поскольку со временем на месте разрыва может появиться коррозия. Такой крепёж сохраняет свои свойства в большом диапазоне температур.

Видео - антивандальная гайка отрывная


 

d

h

m

d2

момент отрыва

размер под ключ

6

9,5

3,5

9,8

7-13

SW 10

8

12

4

12,8

13-25

SW 13

10

15

5

16,8

30-40

SW 17

12

16

5,5

18,8

35-45

SW 19

16

20,5

7

23,8

45-60

SW 24

20

25

4

29,8

65-80

SW 30

Разрывная гайка art.9150 чертёж