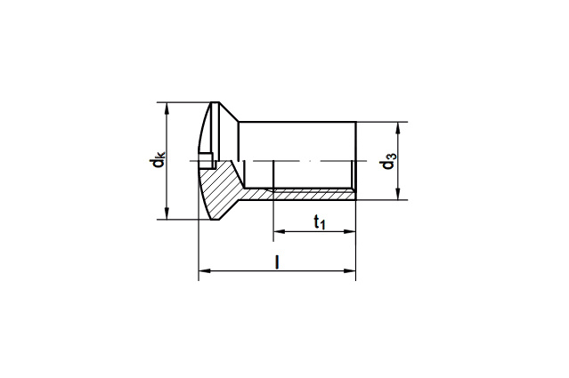
Особенностью гайки-втулки является полупотайная головка в форме линзы и прямой шлиц. Это изделие чаще всего используется в мебельном производстве для стягивания двух и более деталей (вместе с винтами или болтами). Такая модель позволяет провести крепление там, где неудобно работать гаечным ключом.
Гайка втулка изготавливается из стали А1 без покрытия или латуни с никелевым покрытием.
Другие названия
Гайка-муфта, гайка мебельная




