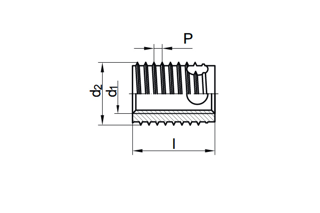
Вставка резьбовая короткая ENSAT с отверстиями art. 88307 используется для образования износостойкого и виброустойчивого соединения. Способны выдерживать высокие нагрузки даже при установке в материал с низким уровнем прочности.
Применение
Самонарезающая вставка может быть установлена в любое подходящее по диаметру отверстие. Специальная подготовка отверстия не требуется. Благодаря наличию внешней режущей поверхности монтаж можно производить без использования метчика и цапфоломателя.
Виды подходящий оснований:
- Твердый термореактивный пластик;
- Алюминий и сплавы на его основе;
- Магниевые сплавы.






