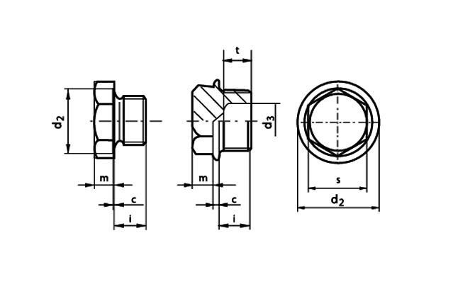
форма А (короткая резьбовая часть)
форма С (длинная резьбовая часть)
форма А (короткая резьбовая часть)
форма С (длинная резьбовая часть)
|
Размеры |
м10*1 |
м12*1,5 |
м14*1,5 |
м16*1,5 |
м18*1,5 |
м22*1,5 |
м26*1,5 |
м30*1,5 |
|
c |
0,5 |
0,5 |
0,5 |
0,5 |
2 |
2 |
2,5 |
2,5 |
|
d2 |
14 |
17 |
19 |
21 |
23 |
27 |
31 |
36 |
|
d3 |
- | - | - | - |
10 |
14 |
16 |
20 |
|
i |
6 |
9 |
9 |
9 |
9 |
9 |
9 |
9 |
|
l |
10,5 |
15,5 |
15,5 |
15,5 |
17 |
17 |
19,5 |
19,5 |
|
m |
4 |
6 |
6 |
6 |
6 |
6 |
8 |
8 |
|
s |
14 |
17 |
19 |
22 |
17 |
19 |
22 |
22 |
|
t |
- | - | - | - |
8 |
8 |
8 |
8 |

|
Шаг резьбы |
Резьба |
|||||||
|
м10 |
м12 |
м14 |
м16 |
м18 |
м22 |
м26 |
м30 |
|
|
1 |
+ |
|||||||
|
1,5 |
+ |
+ |
+ |
+ |
+ |
+ |
+ |
|
|
Размеры |
м8*1 |
м10*1 |
м22*1,5 |
м26*1,5 |
м30*1,5 |
м38*1,5 |
м45*1,5 |
м52*1,5 |
|
c |
0,5 |
0,5 |
2 |
2,5 |
2,5 |
3 |
3 |
3 |
|
d2 |
12 |
14 |
27 |
31 |
36 |
44 |
52 |
60 |
|
d3 |
- | - |
14 |
16 |
20 |
26 |
32 |
38 |
|
i |
8 |
8 |
12 |
12 |
12 |
12 |
12 |
12 |
|
l |
12,5 |
12,5 |
20 |
22,5 |
22,5 |
23 |
23 |
23 |
|
m |
4 |
4 |
6 |
8 |
8 |
8 |
8 |
8 |
|
s |
12 |
14 |
19 |
22 |
22 |
22 |
24 |
27 |
|
t |
- | - |
8 |
10 |
10 |
10 |
10 |
10 |
|
Шаг резьбы |
Резьба |
|||||||
|
м8 |
м10 |
м22 |
м26 |
м30 |
м38 |
м45 |
м52 |
|
|
1 |
+ |
+ |
||||||
|
1,5 |
+ |
+ |
+ |
+ |
+ |
+ |
||