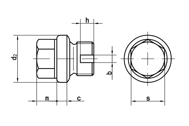
Пробка резьбовая цилиндрическая с фланцем, вентилируемым отверстием и уплотнением DIN 5586. Трубная дюймовая резьба G. Предназначена для запирания отверстия с возможностью подтравливания воздуха через специальный паз. Используется в станкостроении, связанном с пневмомашинами.
Другие названия
Винт запорный.






