Дополнительное название:
Тавотница
Тавотница
|
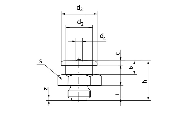
Размеры |
м6*1 |
м6*1 |
м8*1 |
м8*1 |
м10*1 |
м10*1 |
м16*1,5 |
G 1/4 |
G 1/4 |
G 3/8 |
|
b |
4,8 |
6,5 |
4,8 |
6,5 |
6,5 |
6,5 |
8,5 |
6,5 |
8,5 |
8,5 |
|
c |
1,7 |
2,0 |
1,7 |
2,0 |
2,0 |
2,0 |
3,0 |
2,0 |
3,0 |
3,0 |
|
d2 |
7,2 |
12 |
7,2 |
12 |
12 |
12 |
18 |
12 |
18 |
18 |
|
d3 |
10 |
16 |
10 |
16 |
16 |
16 |
22 |
16 |
22 |
22 |
|
d4 min |
1,5 |
1,5 |
2,5 |
2,5 |
2,9 |
2,9 |
5,0 |
2,9 |
5,0 |
5,0 |
|
h max |
13 |
17 |
13,7 |
16,7 |
17,6 |
17,6 |
23,1 |
16 |
2 |
22 |
|
l |
4,9 |
5,3 |
4,9 |
5,3 |
5,5 |
5,5 |
7,5 |
5,5 |
7,5 |
7,5 |
|
s |
11 |
17 |
11 |
18 |
17 |
17 |
22 |
17 |
22 |
22 |
|
z max |
0,6 |
0,8 |
0,6 |
0,8 |
1,0 |
1,0 |
1,5 |
1 |
1,5 |
1,5 |

|
Шаг резьбы/ |
Резьба |
|||
|
размер привода |
м6 |
м8 |
м10 |
м16 |
|
1 s=11 |
+ |
+ |
||
|
1 s=17 |
+ |
+ |
+ |
|
|
1,5 s=22 |
+ |
|||
|
Резьба / размер привода |
||
|
1/4 - 16 s=17 |
1/4 - 22 s=22 |
3/8 - 22 s=22 |
|
+ |
+ |
+ |