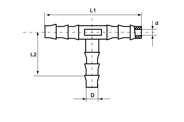
Соединитель TS
Удобная оплата.
По счету или банковской картой
Доставка.
По всей территории Казахстана
Качество.
Входной контроль каждой партии товара
| Фиксатор TS | 3 | 4 | 5 | 6 | 7 | 8 | 10 | 12 | 13 | 14 | 15 | 16 | 19 | 25 |
|---|---|---|---|---|---|---|---|---|---|---|---|---|---|---|
| х | х | х | х | х | х | х | х | х | х | х | х | х | х |
| Обозначение | D | d | L1 | L2 |
| TS 3 | 3 | 2,5 | 25 | 12,5 |
| TS 4 | 4 | 2,7 | 35 | 19,5 |
| TS 5 | 5 | 3 | 42 | 22 |
| TS 6 | 6 | 4 | 50 | 26 |
| TS 7 | 7 | 5 | 50 | 26 |
| TS 8 | 8 | 5,6 | 58 | 30 |
| TS 10 | 10 | 7 | 62,5 | 33,5 |
| TS 12 | 12 | 8,6 | 69 | 36 |
| TS 13 | 13 | 8,6 | 68 | 38,5 |
| TS 14 | 14 | 10 | 77,5 | 41,5 |
| TS 15 | 15 | 11 | 79,5 | 43,5 |
| TS 16 | 16 | 12 | 81 | 45 |
| TS 19 | 19 | 15 | 85 | 45 |
| TS 25 | 25 | 21 | 105 | 52,5 |




