О нас
Контакты
Услуги
Доставка
Избранное
0
Корзина
0
Вход
Каталог
+7(708) 710-04-06
sale@promkrep.kz
+7(708) 710-04-06
Каталог
Поиск
Корзина
Вход
Главная страница
Каталог
Крепёж
Монтажные элементы
Кронштейны, шины, соединители
Пластина опорная (подпятник) GPL/GPS
Пластина опорная (подпятник) GPL/GPS
Купить
Удобная оплата.
По счету или банковской картой
Доставка.
По всей территории Казахстана
Качество.
Входной контроль каждой партии товара
Описание
Технические характеристики
Производитель:
Fisher (Германия)
Показать еще
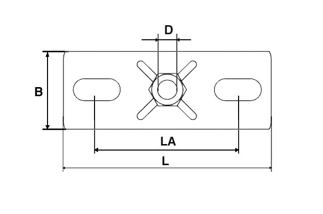
Размерная таблица опорной пластины GPL / GPS
Обозначение
D
La
Отверстие
L
B
S
GPL М8
М8
54
8,5*18
80
30
3
GPL М10
М10
54
8,5*18
80
30
3
GPS М8
М8
85
11*18
120
40
4
GPS М10
М10
85
11*18
120
40
4