Пластина зажимная для монтажа подвесных приспособлений к двутавровым балкам.
Другие названия
Зажим для труб, крепление для труб.
Пластина зажимная для монтажа подвесных приспособлений к двутавровым балкам.
Зажим для труб, крепление для труб.
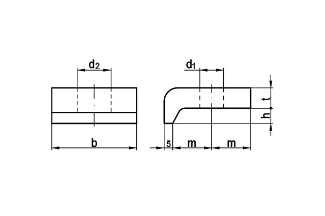
| Параметры | 10 | 12 | 14 | 16 | 18 | 20 |
| b | 60 | 60 | 60 | 60 | 60 | 60 |
| d1 | 18 | 18 | 18 | 18 | 18 | 18 |
| d2 | 24 | 24 | 24 | 24 | 24 | 24 |
| m | 35 | 35 | 35 | 35 | 35 | 35 |
| t | 18 | 18 | 18 | 18 | 18 | 18 |
| Диаметр отверстия под болт | М 16 | М 16 | М 16 | М 16 | М 16 | М 16 |
