Производитель:
Fisher (Германия)
![]()
Fisher (Германия)
![]()
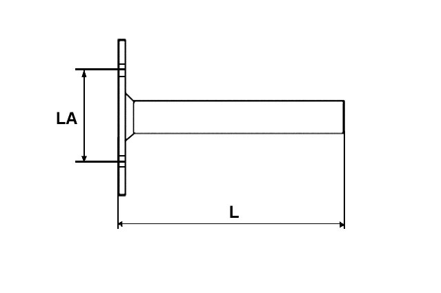
| Обозначение | Профиль: высота*ширина | L | a | b | s | LA |
| 27/18-200 | 27*18 | 200 | 120 | 40 | 4 | 80 |
| 27/18-300 | 27*18 | 300 | 120 | 40 | 4 | 80 |
| 28/30-200 | 28*30 | 200 | 120 | 40 | 4 | 80 |
| 28/30-320 | 28*30 | 320 | 120 | 40 | 4 | 80 |
| 28/30-440 | 28*30 | 440 | 120 | 40 | 4 | 80 |
| 38/40-200 | 38*40 | 200 | 120 | 40 | 6 | 80 |
| 38/40-360 | 38*40 | 360 | 120 | 40 | 6 | 80 |
| 38/40-440 | 38*40 | 440 | 120 | 40 | 6 | 80 |
| 38/40-520 | 38*40 | 520 | 120 | 40 | 6 | 80 |
| 38/40-600 | 38*40 | 600 | 120 | 40 | 6 | 80 |
| 40/60-600 | 40*60 | 600 | 145 | 70 | 6 | 105 |
| 40/60-800 | 40*60 | 800 | 145 | 70 | 6 | 105 |
| 40/60-1000 |
40*60 |
1000 | 145 | 70 | 6 | 105 |
