Заглушка DIN 443
уплотнительный колпачок
Удобная оплата.
По счету или банковской картой
Доставка.
По всей территории Казахстана
Качество.
Входной контроль каждой партии товара
|
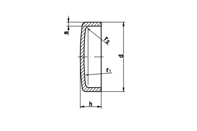
Размеры d |
8 |
10 |
12 |
14 |
16 |
18 |
20 |
22 |
25 |
28 |
|
h |
3 |
3 |
4 |
5 |
5 |
6 |
6 |
7 |
8 |
9 |
|
r1 |
20 |
25 |
30 |
35 |
40 |
45 |
50 |
55 |
60 |
70 |
|
r2 |
1 |
1 |
1 |
1 |
1 |
1 |
1 |
1,6 |
1,6 |
1,6 |
|
s |
0,75 |
0,75 |
1 |
1 |
1 |
1 |
1 |
1,6 |
1,6 |
1,6 |
|
Размеры d |
30 |
32 |
36 |
38 |
40 |
42 |
45 |
50 |
56 |
|
h |
9 |
10 |
11 |
12 |
12 |
13 |
14 |
15 |
17 |
|
r1 |
75 |
80 |
90 |
95 |
100 |
105 |
110 |
125 |
140 |
|
r2 |
1,6 |
1,6 |
1,6 |
1,6 |
1,6 |
1,6 |
1,6 |
1,6 |
2,5 |
|
s |
1,6 |
1,6 |
1,6 |
1,6 |
1,6 |
1,6 |
1,6 |
1,6 |
2 |




