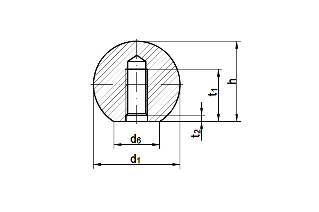
Шаровая ручка DIN 319 представляет собой пластмассовый шар с внутренним отверстием. Такое отверстие может быть со стальной или латунной резьбовой вставкой или без неё. Материал - дюропласт (термоактивный пластик) на основе фенола. Изделия из дюропласта высокоустойчивы к механическим повреждениям, а так же со временем не теряют форму и цвет.
Применение
Используется для рукояток и рычагов управления приборов, рубильников, коробок передач автомобилей, пультов управления крана, щитков и шкафов электрооборудования, чтобы сделать ручное управление подвижными стержнями удобным.
Другие названия
Шар с резьбой, ручка-кнопка.
Варианты исполнения
- DIN 319 C - без металлической резьбовой втулки.
Для монтажа такой детали необходимо воспользоваться лёгким пластмассовым или резиновым молотком и несильными ударами прочно насадить шар на стержень.
- DIN 319 E - со стальной оцинкованной резьбовой втулкой.
Для изготовления такой вставки используется углеродистая сталь с применением цинкового покрытия. Такое покрытие позволяет использовать деталь в условиях повышенной влажности или в агрессивной среде.












