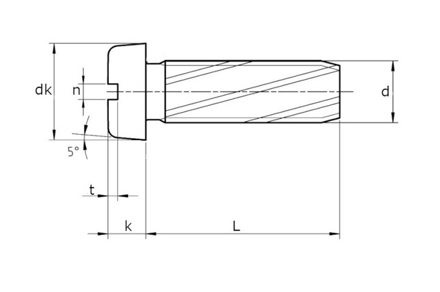
Винт DIN 7513 B - крепежное изделие, имеющее стержень с метрической резьбой с крупным шагом, режущие канавки, расположенные под углом к оси стержня и цилиндрическую головку с прямым шлицем.
Применение: предназначен для создания винтовых соединений в металле или пластике. Резьбонарезающий винт активно применяется как в различных сферах машиностроения, строительстве.
Особенности:
- Режущие канавки (винтовые насечки) и специально сконструированная заходная часть на конце стержня нарезают приемную метрическую резьбу в гладком отверстии во время сборки.
- Резьбовыдавливающий винт обеспечивают плотное прилегание сопряженных резьб в соединении, что позволяет избежать ослабления при вибрационных нагрузках на узел, избавляет от необходимости использовать стопорные шайбы и приварные гайки.
- Незаменим в случае, когда требуется стабильное, но легкоразъемное соединение, дающее возможность повторной сборки. Они могут применяться в качестве резьбозачистных для исправления испорченной резьбы или зачистки от заусенцев, краски.
- Для монтажа винтов необходимо только просверлить отверстие.
- Имеет цилиндрическую головку под стандартный гаечный ключ или торцевую насадку.
Полезные материалы
Вы можете заказать покраску данного изделия в Промышленном крепеже
Подробнее об услуге покраски

















