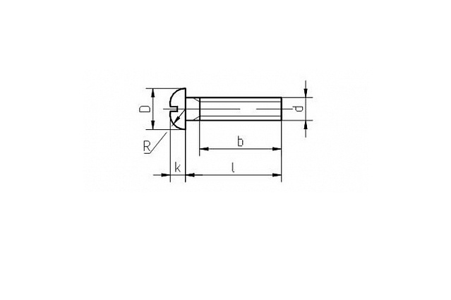
Винты с полукруглой головкой используются в разных областях машино- и приборостроения. Аналогами ГОСТ 17473-80 являются DIN 85 и DIN 7985.
Основные отличия:
- Диапазон размеров винтов по ГОСТ 17473-80 шире, чем по DIN 7985.
- Головки винтов по DIN 7985 имеют только крестообразный шлиц, а по ГОСТ 17473-80 - прямой и крестообразный.
- Головки винтов по ГОСТ 17473-80 имеют полукруглую форму, тогда как в DIN 7985 головка от плоскости опоры имеет слегка конусообразную форму с полукругом.
- Винты по DIN 7985 выпускаются только по классу точности А, а по ГОСТ 17473-80 - А и В.
- Аналогичные винты в DIN 7985 имеют больший диаметр головки, чем в ГОСТ 17473-80.




