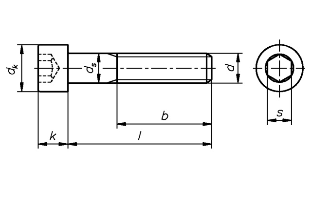
Аналогом винтов ГОСТ 11738-84 являются стандарты DIN 912 и ISO 4762-77.
Основное отличие состоит в том, что винты по DIN 912 имеют более широкий ряд типоразмеров, а отечественный стандарт позволяет изготавливать винты с меньшими классами прочности (5.5, 6.8).
Вы можете заказать покраску данного изделия в Промышленном крепеже
Подробнее об услуге покраски






