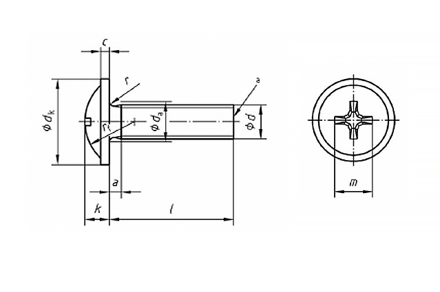
Винт ~ DIN 967 - крепежное изделие, состоящее из стержня с полной резьбой, низкой полукруглой головки с пресс-шайбой и тупого конца.
Данный крепёж часто называют мебельным винтом с фланцем, так как он отлично подходит для соединения деталей мебели.
Применение: используется для монтажа деталей из металла, пластика и древесины твердых пород при производстве мебели, бытовой техники, в строительных работах, в машиностроении для сквозной установки с гайками и шайбами, а также для закручивания в глухие отверстия.
Особенности:
Полезные материалы
Основные типы болтов, винтов, шпилек. Классификация и особенности применения.
Вы можете заказать покраску данного изделия в Промышленном крепеже
Подробнее об услуге покраски
















