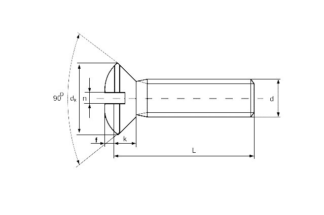
Винт DIN 964
Аналог ГОСТ 17474-80 / EN ISO 2010
Фильтры
*) литерой А обозначена полная резьба, а литерой В – неполная
| L/d | М2 | М2.5 | М3 | М4 | М5 | М6 | М8 | М10 |
|---|---|---|---|---|---|---|---|---|
| 5 | А | А | А | |||||
| 6 | А | А | А | А | А | А | ||
| 8 | А | А | А | А | А | А | ||
| 10 | А | А | А | А | А | А | А | |
| 12 | А | А | А | А | А | А | А | А |
| 14 | А | А | А | А | А | А | А | А |
| 16 | А | А | А | А | А | А | А | А |
| 18 | А | А | А | А | А | А | ||
| 20 | А | А | А | А | А | А | А | А |
| 25 | А | А | А | А | А | А | ||
| 30 | А | А | А | А | А | А | ||
| 35 | В | А | А | А | А | А | ||
| 40 | В | А | А | А | А | А | ||
| 45 | В | А | А | А | А | А | ||
| 50 | В | В | В | В | В | В | ||
| 60 | В | В | В | В | ||||
| 70 | В | В | В | В | ||||
| 80 | В | В | ||||||
| 90 | В | |||||||
| 100 | В |
| d | М2 | М2.5 | М3 | М4 | М5 | М6 | М8 | М10 |
| dk (max) | 3,8 | 4,7 | 5,6 | 7,5 | 9,2 | 11 | 14,5 | 18 |
| k (max) | 1,2 | 1,5 | 1,65 | 2,2 | 2,5 | 3 | 4 | 5 |
| f | 0,5 | 0,6 | 0,7 | 1 | 1,2 | 1,4 | 2 | 2,3 |
| n | 0,5 | 0,6 | 0,8 | 1,2 | 1,2 | 1,6 | 2 | 2,5 |




