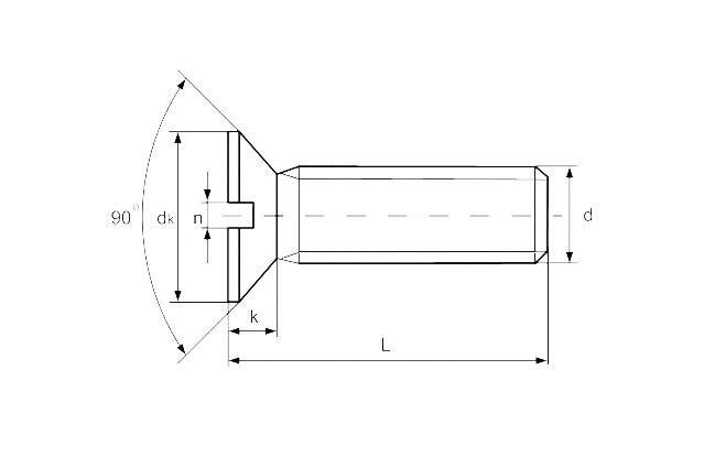
Винт DIN 963 - это крепежное изделие, которое имеет стержень с полной резьбой стандартного шага, потайную головку с прямым шлицем, тупой конец.
Применение: используется для фиксации металлических, пластиковых или деревянных объектов на различных основаниях. Данный винт широко распространен во множестве производственных областей: в машиностроении, в строительстве, а так же при обшивке различных помещений, мебельном производстве.
Особенности:
- Потайная головка для установки вровень с поверхностью. Для посадки заподлицо в прикрепляемом материале требуется зенковка отверстия.
- Изделие обладает полной резьбой со стандартным шагом резьбы, что при необходимости делает возможным быструю замену других метизов с идентичным диаметром резьбы на данный винт.
- Допускается монтаж в основания из стали, металла, дерева и пластика. Устанавливается только в заранее подготовленные (высверленные) отверстия.
- За счет высокой надежности и устойчивости винта к коррозии, его часто применяют в неблагоприятных и влажных условиях.
- Переносит резкие перепады температур и может использоваться в течении долгого времени.
Полезные материалы
Основные типы болтов, винтов, шпилек. Классификация и особенности применения.
Вы можете заказать покраску данного изделия в Промышленном крепеже
Подробнее об услуге покраски















