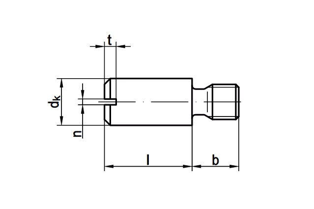
Винт цилиндрический с резьбовой цапфой и прямым шлицем DIN 927.
- Главная страница
- Каталог
- Крепёж
- Болты, винты, шпильки
- Винты
- Винт цилиндрический с цапфой и шлицем DIN 927
Винт цилиндрический с цапфой и шлицем DIN 927
Удобная оплата.
По счету или банковской картой
Доставка.
По всей территории Казахстана
Качество.
Входной контроль каждой партии товара
| Номинальный диаметр резьбы | dk | b | n | t |
|---|---|---|---|---|
| М3 | 4 | 4.5 | 0.5 | 1.05 |
| М4 | 5.5 | 6 | 0.6 | 1.42 |
| М5 | 6.5 | 7 | 0.8 | 1.63 |
| М6 | 8 | 8 | 1 | 2 |
| М8 | 10 | 11 | 1.2 | 1.9 |






